首页
联系我们
采购指南
0
登录
联系我们
产品
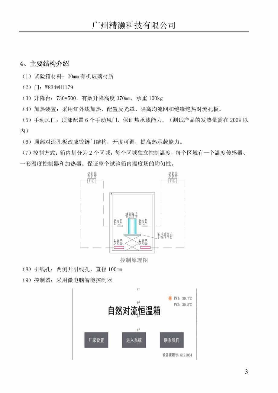
恒温对流箱
平出价格(销售价格等于成本价)
平出价格(销售价格等于成本价)
恒温对流箱
/shop/4955
型号
NC-860S
亚克力板定制40cm*60cm*0.5cm 打孔:孔直径2cm
¥
35,000.00
¥
35,000.00
35000.0
CNY
¥
35,000.00
此组合不存在。
添加到购物车